ZH1-A25/4-275 一級防雷保護器
閱讀次數:1327 發布時間:2020-09-15
ZH1-A25一級電涌保護器
ZH1-A25浪涌保護器具有殘壓低、響應速度快、通流容量大,ZH1-A25防雷器產品壽命長、維護簡單、ZH1-A25電涌保護器安裝方便!

一.適用范圍:
ZH1-A系列電壓開關型的電源電涌保護器(屬于CLASS I,10/350μS波形)依據IEC和GB標準設計。
應用于雷擊風險較高地區的設備系統的電源第一級電涌保護。可防范直擊雷在內的各種電涌,通過不同數量的組合可適用于單相、三相供電線路。模塊化設計,標準35mm導軌式安裝方式,安裝于建筑物總配電柜、架空輸入的配電柜(箱)、室外配電柜(箱),具備很高的雷電流泄放能力,無續流,單模塊最大沖擊電流(10/350μs)分別可達Iimp=15 kA、25 kA、35 kA、50 kA,最大放電電流(8/20μs) 分別可達到Imax=100kA、150kA、160kA、200kA。
二.技術參數:
型號 | ZH1-A15 | ZH1-A25 | ZH1-A35 | ZH1-A50 | ZH1-ANPE | |
適用電源 | 220/380V ~50HZ | |||||
最大持續工作電壓Uc~ | 275V | |||||
緣絕電阻Rins | >100Mohm | |||||
沖擊電流(10/350)Iimp | 電流峰值Ipeak | 15kA | 25kA | 35kA | 50kA | 50kA |
電荷量 Q | 7.5As | 12.5As | 17.5As | 25As | 25As | |
能量 W/R | 56.25kJ/Q | 156.25kJ/Q | 306.25kJ/Q | 625kJ/Q | 625kJ/Q | |
標稱放電電流In(8/20us) | 15kA | 25kA | 35kA | 50kA | 50kA | |
最大放電電流Imax(8/20us) | 100kA | 150kA | 160kA | 200kA | 200kA | |
電壓保護水平Up | ≤2.0kV | |||||
響應時間 | ≤100 ns | |||||
工作溫度 | -40℃~+80℃ | |||||
外殼材料 | 阻燃尼龍 | |||||
防護等級 | IP 20 | |||||
配前置熔斷器或斷路器 | 125A | ---- | ||||
連接導體的橫截面積 | 6-35mm2 | |||||
三.常用規格型號:
單相電源: | 三相電源: |
ZH1-A15/2-275 ZH1-A15/1+NPE-275
| ZH1-A15/3-275 ZH1-A15/4-275 ZH1-A15/3+NPE-275 |
ZH1-A25/2-275 (推薦使用) ZH1-A25/1+NPE-275 (推薦使用)
| ZH1-A25/3-275 (推薦使用) ZH1-A25/4-275 (推薦使用) ZH1-A25/3+NPE-275 (推薦使用) |
ZH1-A35/2-275 ZH1-A35/1+NPE-275
| ZH1-A35/3-275 ZH1-A35/4-275 ZH1-A35/3+NPE-275 |
ZH1-A50/2-275 ZH1-A50/1+NPE-275
| ZH1-A50/3-275 ZH1-A50/4-275 ZH1-A50/3+NPE-275 |
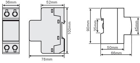
四.外形尺寸圖:

全系列產品型號:
ZH1-A系列電壓開關型電源電涌保護器:ZH1-A15/4-275、ZH1-A15/3+NPE-275、ZH1-A25/4-275、ZH1-A25/3+NPE-275、ZH1-A35/4-275、ZH1-A35/3+NPE-275、ZH1-A50/4-275、ZH1-A50/3+NPE-275
ZH1-B150系列大通流電源電涌保護器:ZH1-B150/4-420
ZH1-B120系列大通流電源電涌保護器:ZH1-B120/2-420、ZH1-B120/3-420、ZH1-B120/4-420
ZH1-B100 系列大通流電源電涌保護器:ZH1-B100/3+NPE-420、ZH1-B100/4-420
ZH1-B80系列大通流電源電涌保護器:ZH1-B80/3+NPE-420、ZH1-B80/4-420
ZH1-B60系列電源電涌保護器:ZH1-B60/3+NPE-420、ZH1-B60/4-420
ZH1-C40系列電源電涌保護器:ZH1-C40/3+NPE-420、ZH1-C40/4-420
ZH1-D25系列電源電涌保護器:ZH1-D25/3+NPE-385、ZH1-D25/4-385
ZH6 系列光伏直流電源電涌保護器:ZH6-C40/3-500 DC、ZH6-C40/3-650 DC、ZH6-C40/3-800 DC、ZH6-C40/3-1000 DC、ZH6-C40/3-1300 DC、ZH6-B60/3-1300 DC、ZH6-B80/3-1300 DC、ZH6-B100/3-1300 DC
ZH6系列風力發電系統電源電涌保護器:ZH6-C40/4-690、ZH6-B80/4-690、ZH6-B100/4-690、ZH6-B160/4-690
ZH8-4XB系列諧波抑制電涌保護器:ZH8-4XB40、ZH8-4XB60
ZH1-A25避雷器十五年防雷經驗,技術可靠, ZH1-A25過電壓防雷器應用范圍廣, 價格合理,產品精良,性能優越,用心塑造安全!




