DXH06-F/3+1AC690R40型電涌保護器
閱讀次數:2905 發布時間:2020-09-14
DXH06-F/3+1AC690R40型電涌保護器
DXH06-F/3+1AC690R40浪涌保護器具有殘壓低、響應速度快、通流容量大,DXH06-F/3+1AC690R40防雷器產品壽命長、維護簡單、DXH06-F/3+1AC690R40電涌保護器安裝方便!
1、應用范圍
DXH06-F/3+1AC690R40電涌保護器,適用于400/690Va.c.電壓系統,配電系統以及終端設備的電涌保護,應安裝在防雷區1(LPZ1)和防雷區2(LPZ2)的界面處。
浪涌保護器在電源系統中的安裝位置如下:
(1)在LPZ0A區和 LPZ0B區與LPZ1區交界面處連續穿越的電源線路上應安裝符合I級分類試驗的SPD,如總電源進線配電柜內、配電變壓器的低壓側主配電柜內、引出至本建筑物防直擊雷裝置保護范圍以外的電源線路的配電箱內。
(2)在LPZ0B區與LPZ1區交界面處穿越的電源線路上應安裝符合Ⅱ級分類試驗的SPD,如引出至本建筑物防直擊雷裝置的保護范圍之內的屋頂風機、屋頂廣告照明的電源配電箱內。
(3)當電源進線處安裝的電涌保護器的電壓保護水平加上其兩端引線的感應電壓保護不了該配電箱供電的設備時,應在該級配電箱安裝符合Ⅱ級分類試驗的SPD,其位置一般設在LPZ1區和LPZ2區交界面處。如:樓層配電箱、計算機中心、電信機房、電梯控制室 、有線電視機房、樓宇自控室、保安監控中心、消防中心、工業自控室、變頻設備控制室、醫院手術室、監護室及裝有電子醫療設備的場所的配電箱內。
(4)對于需要將瞬態過電壓限制到特定水平的設備(尤其是信息系統設備),應考慮在該設備前安裝符合Ⅲ級分類試驗的SPD,其位置一般設在LPZ2區和其后續防雷區交界面處。如:計算機設備、信息設備、電子設備及控制設備前或*近的插座箱內。
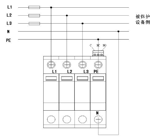
產品尺寸圖

產品接線圖

技術參數
技術指標 | 設備型號 |
DXH06-F/3+1AC690R40 | |
試驗類別 | T2 |
工作系統電壓Un | 400/ 690V, 50Hz/ 60Hz |
最大持續運行電壓Uc | 750Va.c./1000V d.c. |
標稱放電電流In | 20kA(8/20μs) |
最大放電電流Imax | 40kA(8/20μs) |
對地漏電流Ic | <1mA |
限制電壓Up@20kA | ≤5.2kV |
響應時間 | ≤100ns |
端口數量 | 1端口 |
串接熔絲 | 100A gL/ gG (input current>100A) |
過載故障 | 1200V/5s |
短路電流 | 25kA |
保擴模式 | L——PE |
內部保護裝置 | 防雷單元內置熱脫扣裝置 |
接入導線截面 | 6~35mm2 |
裸線壓接長度 | 12.5mm |
安裝接線力矩 | 2Nm |
劣化失效指示 | 防雷模塊具有指示窗口,故障狀態下指示窗口變紅色 |
遙信方式 | 告警干接點,NC-C-NO接點 |
遙信端子性能 | AC:250V/0.5A;DC:250V/0.1A,125V/0.2A,75V/0.5A |
遙信導線截面 | 最大1.5mm2 |
安裝方式 | 標準導軌安裝DIN rail 35mm |
外殼材料防火等級 | UL94-V0 |
外殼防護等級 | IP20 |
工作溫度 | -40℃~+80℃ |
相對濕度 | ≤95%(25℃) |
海拔高度 | ≤3000m |
外形尺寸(不含接線端子) | 90mm×71mm×72mm |
相關產品型號:M385B120/3+1、M385B120/4P、M385C40/3+1、M385C40/4P、ZP-MDC/4、M385C40/4、ML350W25、MBCS100/3+1、DXH06-FCS/3+1R40、DXH06-FCS4R40、DXH06-FBZS/4B100、DXH06-FLB/4R25、DXH06-F/DC1500、DXH06-FBZS/3+MB100、DXH06-FCS/3+MR40、DXH06-FC385/4、DXH06-F/3+1AC690R40
訂貨須知:
質量標準及技術標準:按雙方簽署的技術附件,沒有技術附件的按照國家標準執行,國家標準沒有明確的按行業標準。
質量保證期:貨到驗收合格后12個月。
包裝:符合國家包裝標準,包裝費用含在合同價款內,包裝物不回收。
驗收:按產品標準和雙方簽訂的技術附件或國標/行業標準進行驗收,在需方未收到貨物前,供方對貨物的正確性完整性負責。貨物到達買方指定的交貨地點,買方應按賣方提供的貨物裝箱單對所收貨物數量、總包裝數進行驗收。
供方供貨產品不應有對任何第三方知識產權的侵害,若因買方使用供方產品而受到的來自任何第三方的關于侵害知識產權的告訴及爭議時,買方不承擔責任,供方應自己承擔費用與責任單獨與第三方解決這些告訴及爭議。
連接導線的選擇:連接導體應符合相線要求,采用黃、綠、紅色,中性線用淺藍色,保護先用黃綠雙色線,其截面積符合防雷技術規范要求。
DXH06-F/3+1AC690R40避雷器十五年防雷經驗,技術可靠, DXH06-F/3+1AC690R40過電壓防雷器應用范圍廣, 價格合理,產品精良,性能優越,用心塑造安全!




