CFD1-030D 防雷器 CFD1- 系列
閱讀次數:1285 發布時間:2020-09-11

CFD1-030D 防雷器 CFD1- 系列產品介紹
浪涌被稱為浪涌,是一種超過正常工作電壓的瞬時過電壓。本質上,浪涌是一種在幾百萬分之一秒內發生的強脈沖。引起喘振的可能原因有:設備笨重、短路、電源切換、發動機大。具有浪涌阻斷裝置的產品能有效吸收巨大的能量沖擊,保護連接的設備不受損壞。浪涌保護器,又稱防雷器,是為各種電子設備、儀器儀表和通信線路提供安全保護的電子設備。當外界干擾使通信線路突然產生峰值電流電壓時,浪涌保護器能在很短的時間內進行分流,避免浪涌對電路中其他設備的損壞。隨著社會的發展,浪涌防護器在新建建筑中隨處可見。
CFD1-030D 產品特點
— 每一套防雷器含2只開關型防雷器和2只限壓型防雷器。
— 10/350μs波形卸壓特性:沖擊電流Iimp:≥20kA。
可以抵御相線及中性線對地線排40kA的10/350μs雷電流(L-PE:20kA,N-PE20kA)。
— 8/20μs波形卸壓特性:最大放電電流Imax:≥40kA。標稱放電電流In:≥20kA。
可以抵御相線及中性線對地線排最大100kA的8/20μs雷電流(L-PE:40kA,N-PE:40kA)。
在滿足電壓保護水平Up指標的前提下,標稱放電電流In也可采用更低指標的產品,但不得低于20kA。
CFD1- 電涌優勢
過電壓保護:CFD1- 具有高壓MOSFET。如果輸入電壓超過OVP閾值5.85v,可以將其關閉。內置電視,可在26V(8 / 20us浪涌測試條件80V)下用較高電壓夾緊,不會因浪涌擊穿而損壞。
過流保護:電流限值能保證通過開關的電流不超過高值,也不會低于下限值。通過選擇外部電阻器Ilim來調整電流值。
反向保護:CFD1- 集成了先進的技術和完善的反向保護功能。當輸出電流足夠大時,PMID和out端之間的電壓差由IOUT*Ron決定。當輸出電流較低時,out被調整為始終與PMID、VFW電壓相差很小。它控制著電源的VGS,而MOSFET足夠小,可以處理VDS恒定的輸出電流。之后,沒有反向電流,因為在任何情況下,當輸出電流達到功率時,MOSFET處于截止狀態。
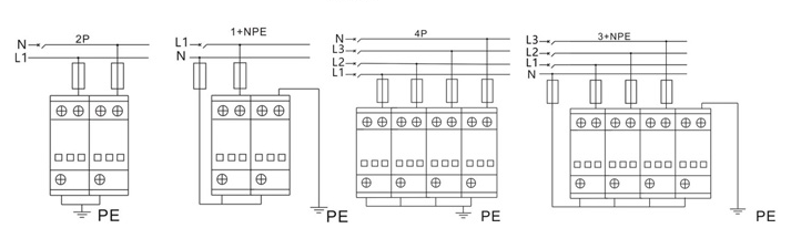
CFD1- 接線圖


CFD1- 主要型號
CFD1-030D、CFD1-060D、CFD1-090D、CFD1-150D、CFD1-385D、CFD1-385C、CFD1-385B、CFD1-385D
CFD1-030D 防雷器 CFD1- 系列
避雷器次如果壓敏電阻類避雷器,通流容量一般是15kA~20kA(8/20μs),額定通流容量時的殘壓≤1.5kV(通信電源的絕緣強度為1.5kV),避雷器最大繼續任務電壓(IEC標準)分為AC275V和AC385V,決定時要屬意大于電網的最大擺蕩電壓,同時也要屬意這個題目:最大繼續任務電壓的進步,會使避雷器的殘壓跟著下降。在供電征兆杰出的城市站,可選用最大繼續任務電壓為AC275V的產品,在供電征兆較差的村落站,最佳選用最大繼續任務電壓為AC320V的產品。




