TUR T1-25/4P防雷器TUR T1-25/4P
閱讀次數:1236 發布時間:2020-09-02
TUR T1-25/4P防雷器技術團隊高質高效完成客戶的技術對接與轉化,嚴格遵守TUR T1-25/4P客戶的產品工藝和技術要求,為TUR T1-25/4P從上到下一次性解決所有生產問題,多年經驗不負期待!

產品參數:

產品型號:
TUR T1-25/4P、TUR T1-25、TUR T1-25/1P+N、TUR T1-25/3P+N
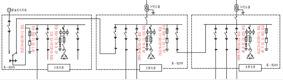
原理線路圖:

在對TUR T1-25/4P浪涌保護器的選擇進行評估后,當需要安裝電涌保護器時,有必要為系統找到合適的產品。前一段所述浪涌防護器的選擇是正確的。所選浪涌保護器的大持續工作電壓高于額定工作電壓。其次,應考慮暫態過電壓的產生,如果存在暫態過電壓的風險,所選浪涌保護器的電壓應低于較大的標稱工作電壓。Iec61643——12是一個很好的指導原則,它為設計人員提供了在選擇和安裝過電壓保護設備時應考慮的問題。這是風電行業的普遍要求。向世界各地的專家組尋求幫助,交流防雷知識和經驗,并向有此領域經驗的公司尋求幫助。浪涌防護器應根據安裝地點的電流選擇。如果特定位置的短路電流未知,則需要選擇足夠的浪涌保護器元件來處理“正確佳猜測”電流。確定和描述TUR T1-25/4P浪涌防護器的具體位置對實現防護裝置的預期效果至關重要。考慮浪涌保護器的使用說明/使用壽命。由于安裝后1秒內可能產生瞬態高電位,可能損壞浪涌防護器,因此浪涌防護器的使用壽命為1秒。能夠根據制造商提供的數據對浪涌防護器(SPD)進行評估。如果電涌保護器(SPD)發生故障,必須確保不會造成致命的損壞。使用浪涌防護器時,應確認浪涌防護器和浪涌防護器上面的被保護設備能各司其職。如果使用保險絲來降低浪涌保護器(SPD)中的電流是正確的,那么這些保險絲應該能夠在損壞SPD之前切斷短路電流。考慮漏電保護器跳閘的情況。在選擇TUR T1-25/4P浪涌防護器時,浪涌防護器不易老化,在預期瞬時高壓下不易損壞,故障時不易損壞其他電氣設備。選擇浪涌防護器時,其箝位電壓應與被保護設備能承受的電壓相同。如果浪涌保護器(SPD)不能維持箝位電壓,應在被保護設備附近安裝浪涌保護器。如果使用多個電涌保護器,正確協調這些電涌保護器之間的關系是很重要的。兩個浪涌保護器(SPD)之間應選擇一個指定的電感。電感可以通過兩個具有指定電感元件的浪涌保護器之間的固定長度電纜來實現。重申從目前浪涌保護器的發展來看,一步到位保護是可能的。
下一篇:浪涌保護器的分類




