TDXDF33過電壓保護器
閱讀次數:1272 發布時間:2020-09-02
TDXDF33過電壓保護器認真貫徹和嚴格執行質量認證體系的各項要求,TDXDF33牢牢把握標準化、程序化、制度化、規范化、動態化核心內容,TDXDF33保證能力達到行業先進水平,大幅提升品牌的實力和影響力!

產品型號:
TDXDF33、TDXDF34、TDXDF33/4P、TDXDF34/4P、TDXDG33/4P
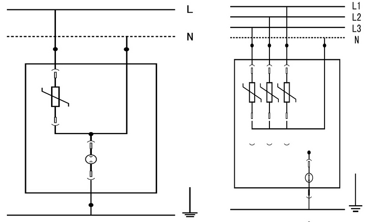
線路圖:




根據上述安裝方法,被保護設備將承受與浪涌保護器的箝位電壓相等的最小電壓。有些浪涌保護器需要額外的保護措施,如不受熱損壞的熔斷器,以保證浪涌保護器的處理水平。其它廠家生產的浪涌保護器在風機主斷路器短路前處理所有電流。在選擇過電壓保護元件時,要考慮元件是否多,以保證浪涌保護器的保護。粗保護是在設備入口處安裝浪涌防護器,精細防護是在被保護設備上直接安裝浪涌防護器。根據目前浪涌保護器的發展,有必要安裝一種粗保護與精保護相結合的裝置。根據精細保護原理制造的簡易大型浪涌保護器,能在很大程度上起到充分的保護作用。浪涌保護器安裝位置選定后,應選擇浪涌保護器的等級。有些電涌保護器根據能輸入地面的能量分為不同的等級。低電平浪涌保護器(spd)的導通需要高鉗位電壓。這會導致受保護設備的壓力增加。由于被保護設備容易損壞,所以有必要選用高電平浪涌防護器(SPD)。換言之,根據特定區域要求的防護等級劃分不同的安裝區域,因此更容易選擇浪涌防護器(SPD)的類型,并提供特定區域所需浪涌防護器(SPD)的概述。考慮到防雷總體設計中浪涌防護器的設計,防雷區域各級浪涌防護器過渡區相結合,通過各級過渡區知道浪涌防護器的位置。(其他標準是這樣推薦的,例如,IEC62305系列風力發電機具體規定IEC61400-24)。
上一篇:浪涌保護器的分類




