電涌防雷器TUR T2-40/3P+N
閱讀次數:1453 發布時間:2020-09-02
TUR T2-40/3P+N電涌防雷器嚴格產品成本,提高產品質量,TUR T2-40/3P+N保證能力達到行業先進水平,大幅提升品牌的實力和影響力,TUR T2-40/3P+N立足本地,輻射全國,面向世界!

電涌防雷器TUR T2-40/3P+N系列參數設置




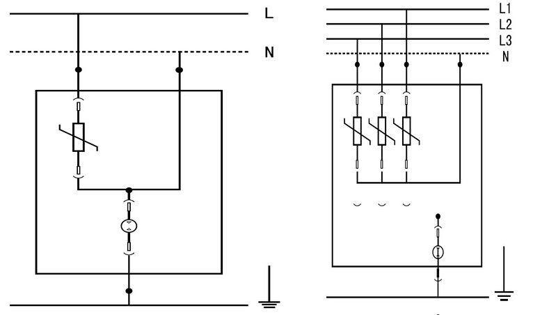
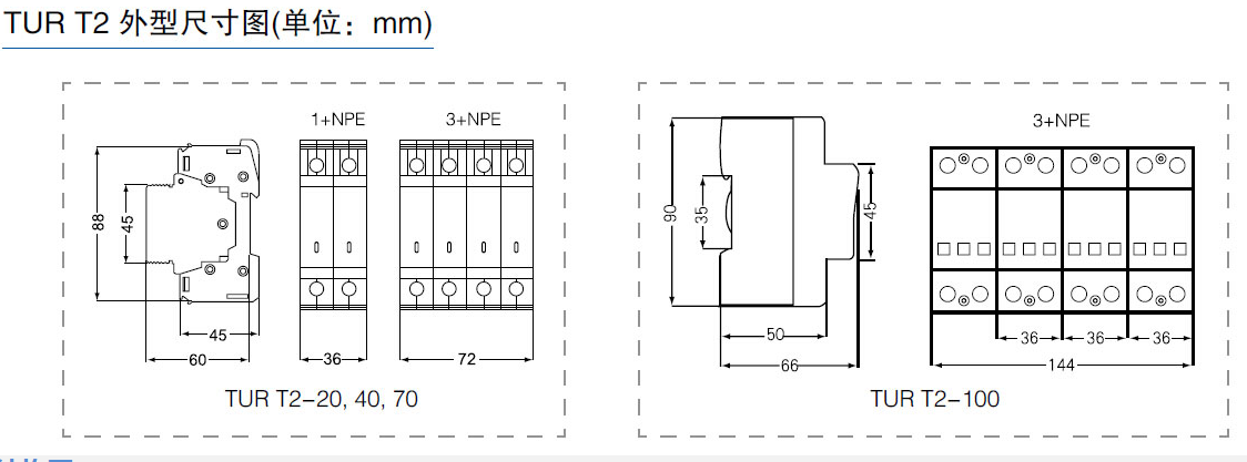
結構圖


相關型號
TUR T2-40/1P+N
TUR T2-40/4P/320
TUR T2-40(1P+N/320)
TUR T2-40(3P+N/320)
TUR系列限壓型浪涌保護產品(TUR T2電涌保護器),內部配備了高能量的氧化鋅壓敏電阻,具有絕佳的非線性特性,具有響應時間極短、殘壓低、通流容量大、壽命長的優點。大容量產品內部還以兩片或三片壓敏電阻并聯實現安裝儲備保護(冗余保護),從而具有更高的安全性和可靠性。在保護模式上,TUR系列電涌保護器普遍推薦采用3+NPE保護模式,即:L1、L2、L3對N采用壓敏電阻元件進行差模保護,N對PE采用氣體放電管進行共模保護,從而使TUR系列電涌保護器具有全模保護而適用于TN-S、TT、TN-C-S等所有配電方式。(同時也根據客戶需要提供1P、2P、3P、4P等各種組合方式的產品)在老化過熱保護方面,TUR系列限壓型電涌保護器采用成熟的低溫焊錫熱脫扣技術。如果壓敏電阻因過載而老化時,內置的熱脫扣裝置自動彈開,工作狀態指示窗口的顏色會由白色轉變為紅色,提示更換相關模塊。在外形結構上,采用插拔式結構,帶工作狀態指示窗口,每個模塊設有防止誤插錯裝置,具備遙信觸點(可選),具有可帶電插拔、維修成本低、更換簡單、人性化指示、可遠程報警等優點。




